结构后锚固植筋的原理:在原钢筋混凝土结构上钻孔,注入结构胶,将钢筋插入钻孔内,通过结构胶的粘结锚固力使混凝土孔壁与钢筋外表面形成牢固的粘结锚固力,依靠粘结锚固力抵抗钢筋的外拔力和剪切力,达到新旧构件连接目的。
由于后锚固植筋的结构需要承载结构本身和上面的附着物的荷载,以及风雪荷载、动荷载等,其与二次结构填充墙的植筋有所差别,所以对于植筋工序会有更严格的要求。
今天,小悍就从规范的角度给大家总结后锚固植筋的全过程。
一、混凝土基材
植筋锚固基材应为钢筋混凝土或者预应力混凝土构件,其纵向受力钢筋的配筋率不应低于现行国家标准《混凝土结构设计规范》GB50010中规定的最小配筋率。

二、植筋材料
用于植筋的钢筋应使用热轧带肋钢筋或全螺纹螺杆,不得使用光圆钢筋和锚入部位无螺纹的螺杆。

三、植筋用胶粘剂
用于植筋的有机胶粘剂应采用改性环氧树脂类植筋胶或改性乙烯基酯类材料,其固化剂不应使用乙二胺。

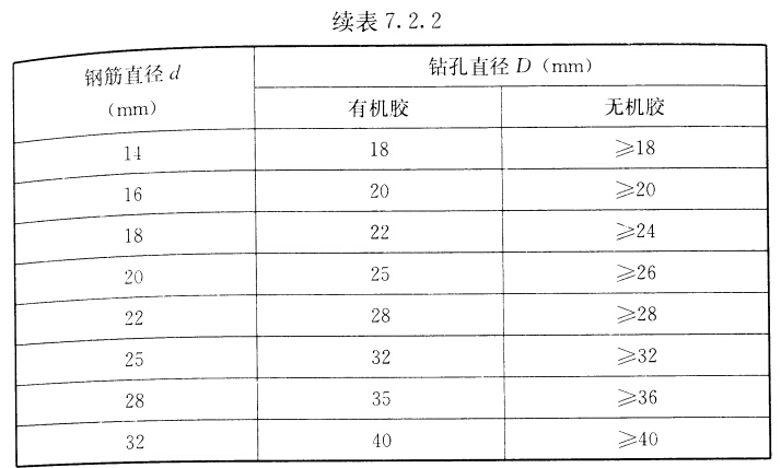
四、植筋直径


五、植筋深度


六、单根植筋锚固
单根植筋锚固的锚固深度设计值和受拉承载力设计值应符合下列规定:

七、植筋的基本锚固深度计算

八、植筋用胶粘剂的粘结强度设计值取值

九、锚固深度修正


十、植筋施工



十一、后锚固植筋质量检查





最后,后锚固植筋连接的关键要求为:根据被连接结构类型、锚固连接受力性质,对其破坏形态加以控制,做拉拔试验时,试验结果为植筋钢材破坏,而不应是混凝土基材破坏。
以上就是小悍在后锚固植筋方面关于植筋材料、植筋深度、钻孔直径、植筋胶的选择、植筋锚固受力计算等的总结,希望对您有所帮助。
原文链接http://www.shhorse.com/Article/gfzjjgehmgz_1.html
(本文系悍马加固材料原创,转载请注明出处,并于本人联系,如有侵权,后果自负。)








