一、现浇混凝土结构 VS装配式混凝土结构
现浇混凝土结构:在现场原位支模并整体浇筑的混凝土结构

装配式混凝土结构:由预制混凝土构件或部件装备、连接而成的混凝土结构。

二、混凝土保护层与有效截面积
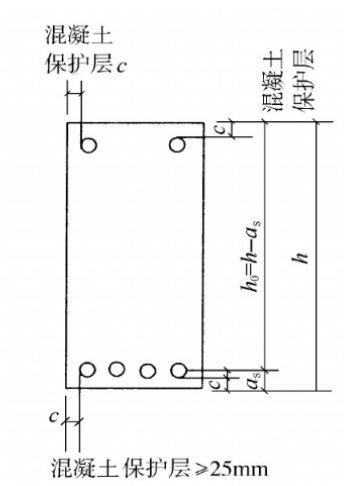
混凝土保护层:结构构件中钢筋外边缘至构件表面范围用于保护钢筋的混凝土。

有效截面积:当受拉区混凝土开裂后,拉力完全由钢筋承担时,能发挥作用的截面高度与截面宽度的乘积。

三、配筋与配筋率
配筋:混凝土构件中为增强混凝土承载力从而设置的钢筋。
配筋率:混凝土构件中配置的钢筋面积与规定的混凝土截面积的比值。
四、弯矩、剪力、挠度与裂缝
弯矩:弯曲构件所受的力矩,单位为N·m

剪力:使材料产生剪切变形的力,单位为N

挠度:挠度是在受力或非均匀温度变化时,杆件轴线在垂直于轴线方向的线位移或板壳中面在垂直于中面方向的线位移


裂缝:结构性裂缝多由于结构应力达到限值,造成承载力不足引起的,是结构破坏开始的特征,或是结构强度不足的征兆,是比较危险的,必须进一步对裂缝进行分析。

五、强度标准值VS强度设计值(GB50068《建筑结构可靠度设计统一标准》)
强度标准值:国家标准规定的钢材屈服点(屈服强度)或抗拉强度。具有按置信水平确定的95%的强度保证率。
强度设计值:钢材或连接的强度标准值除以相应的抗力分项系数后的数值。抗力分项系数由所考虑极限状态的相应结构作用效应的最不利组合来决定。
六、置信水平与变异系数
工程结构加固材料性能标准值计算方法由符合正态分布的置信水平γ=0.95所确定
置信水平:总体参数值落在样本统计值某一区间内的概率;此区间称为置信区间,此概率称为置信水平。
变异系数:反映统计数据离散程度的无量纲数据,由样本标准差除以平均值取得。

本文链接 http://www.shhorse.com/Article/jgsjcjfsyjs_1.html
(本文系悍马加固材料原创,转载请注明出处, 并于本人联系,如有侵权,后果自负。)








